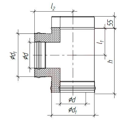
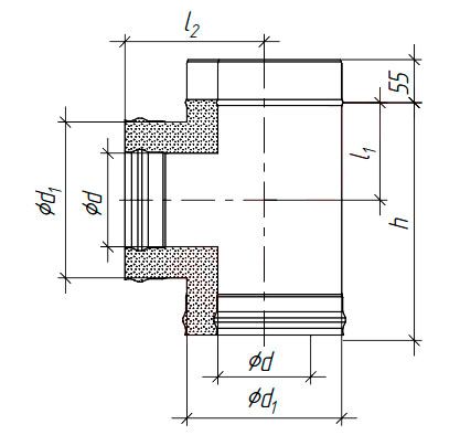
Предназначен для изменения направления утеплённого дымового канала на 90°.
Элемент изготавливается из нержавеющей, оцинкованной стали толщиной 0.5; 0.8мм; 1.0мм.
Параметры:
| Ød | 100 | 110 | 115 | 120 | 130 | 140 | 150 | 150 | 160 | 180 | 200 | 220 | 240 | 250 | 280 | 300 | 350 | 400 | 450 | 500 |
| Ød1 | 180 | 180 | 200 | 200 | 200 | 200 | 210 | 230 | 240 | 260 | 280 | 300 | 320 | 330 | 360 | 380 | 430 | 480 | 530 | 580 |
| l1 | 125 | 125 | 125 | 125 | 140 | 140 | 140 | 150 | 150 | 165 | 175 | 175 | 175 | 200 | 215 | 225 | 250 | 275 | 300 | 325 |
| l2 | 180 | 180 | 180 | 180 | 195 | 195 | 195 | 205 | 205 | 220 | 230 | 230 | 230 | 255 | 270 | 280 | 305 | 330 | 355 | 380 |
| h | 305 | 305 | 305 | 335 | 335 | 335 | 355 | 355 | 355 | 385 | 405 | 405 | 405 | 455 | 485 | 505 | 555 | 605 | 655 | 705 |
Гарантия 2 года
|
Диаметр
|
d115/200 |
|
Толщина
|
0.5мм |
Поделиться